[Disassembly] Monument

This is a low-power Bluetooth device, and this tiny circuit board integrates six types of sensors. Let’s see what it can transmit.
▽ It is called “Monument” because it looks like a stone tablet.

▽ Stripped of its fancy attire, revealing the transparent “xq underwear”.

▽ Shyly turning away.

▽ Screwless design for easy disassembly. A family photo is included.

▽ One side of the circuit board is too small to see anything clearly.

▽ The other side of the circuit board is still too small to see clearly.

▽ So, a magnifying glass is used.

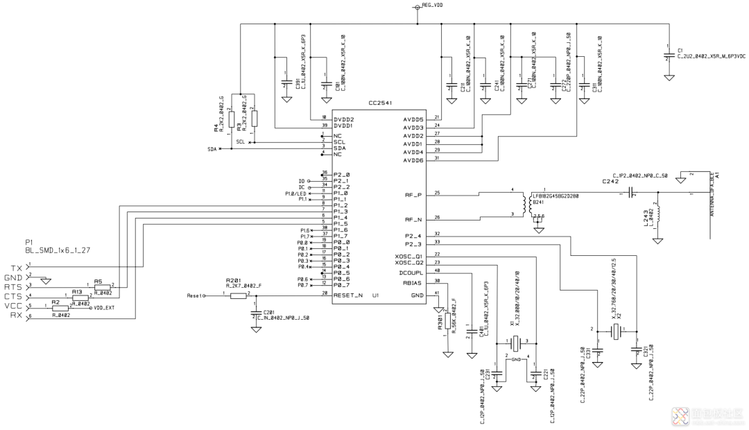
▽ The low-power Bluetooth CC2541 magnified. Its actual dimensions are 6x6x1mm.

This is the circuit diagram of the CC2541.
It supports the Bluetooth 4.0 protocol stack with an 8051 core, featuring I2C, ADC, LED driving, and other functions. 
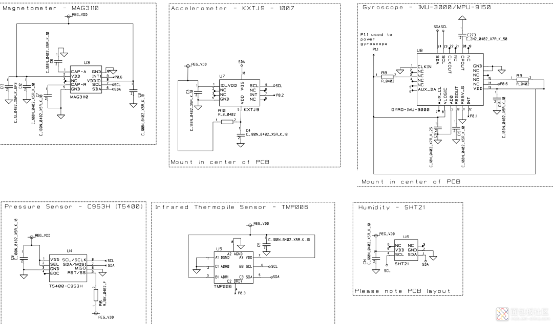
▽ The temperature and humidity sensor. The layout of this component is crucial.
It cannot have copper poured around it; there must be grooves around it, leaving a small bridge for the I2C signal line. This is to reduce the PCB’s impact on temperature and humidity.
Its actual dimensions are 3x3x1.1mm.

▽ This silkscreen marked 9578 is the pressure sensor T5400, with an absolute pressure measurement range of 300mbar to 1100mbar.
There is a very small air inlet at the bottom left, which may get blocked by dust over time.
Its actual dimensions are 2.78×2.23×0.8mm.

▽ TMP006 is not a temperature sensor despite its name.
It is a pyroelectric infrared sensor, and this is a bare die chip without a package.
Its actual dimensions are 1.6×1.6×0.625mm, making it the smallest component on the board aside from resistors and capacitors.

▽ This cluster contains three sensors from left to right:
Gyroscope IMU-3000, accelerometer KXTJ9, and magnetometer MAG3110.

▽ The sensor circuit diagram is as follows. All communicate via I2C. I2C is an open-drain bus.

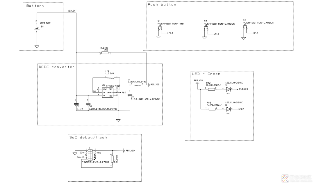
▽ The silkscreen RP is the power supply TPS62730, and the small yellow component next to it is a 0402 capacitor chip.

▽ The entire circuit board uses a low-power DC-DC converter to convert the 3.0V from the button cell battery to 2.1V.
Why such a strange voltage?
Because the minimum voltage for the CC2541 is 2.0V, choosing a minimum voltage helps reduce power consumption.

Note:This article is reproduced from the Breadboard Community WeChat Official Account.If there are any issues regarding copyright or content, please contact the author.For submissions, recruitment, advertisements, courses, collaborations, or resource exchanges, please add WeChat:13237418207We will handle your requests promptly!
