The chip programming leader ACROVIEW Technology recently announced the latest iteration of its programming software, along with a series of newly compatible chip models. In this update, the motor driver dedicated chip FU6572T launched by Fortior Tech has been supported by the ACROVIEW AP8000 universal programmer.

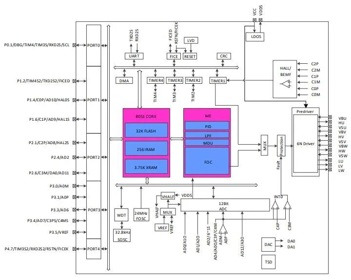
FU6572T is a high-performance motor driver dedicated chip that integrates a Motor Control Engine (ME) and an 8051 core. The ME integrates numerous hardware modules such as FOC, MDU, LPF, PID, and SVPWM, enabling hardware to automatically complete the calculations and control for sensorless/sensor BLDC motors/PMSM’s FOC drive/square wave drive. The 8051 core is used for parameter configuration and daily task processing, with dual-core parallel operation achieving various high-performance motor control. Most instruction cycles of the 8051 core are 1T or 2T. The chip internally integrates high-speed operational amplifiers, comparators, high-speed ADC, CRC, SPI, I2C, UART, and various timers, with a built-in LDO, suitable for square wave and FOC drive control of BLDC/PMSM motors.

Features
• Power Supply Voltage
– VCC: 7.0V~20V
– VDD5: 3V~5.5V
• Dual Core: 8051 Core and ME
• Most instruction cycles are 1 or 2 system clock cycles
• 32kB Flash ROM with CRC check function, supports self-programming and code protection features
• 256 bytes IRAM, 3.75k bytes XRAM
• ME: Includes PID control module, FOC module, MDU auxiliary calculation module, LPF
• 16 interrupt sources, can be set to 4 priority levels
• GPIO
– 13 GPIOs
• Timers
– Timer1: Square wave drive timing control, supports automatic commutation, current limiting, supports Hall/BEMF position detection
– Timer3/Timer4: PWM output, input PWM duty cycle and period detection. Timer4 supports FG output mode, Timer3 supports 48MHz input mode
– Systick timer
– RTC timer
• Communication Interfaces
– 1 UART, supports single-wire mode (suitable for FU6572T)
– 2-channel DMA: Supports UART data transmission
• Analog Peripherals
– 12-bit ADC: 1μs conversion, can select internal VREF or external VREF as reference voltage
– ADC channels: 10 channels
– Built-in VREF reference, configurable to 3V, 4V, 4.5V, VDD5
– Built-in VHALF (VREF/2, 1/4 VREF, 1/8 VREF, 25/64 VREF) reference
– Independent operational amplifier, configurable programmable gain amplifier
– 3 analog comparators
– DAC: 1 channel 9-bit, 1 channel 6-bit
• Drive Type
– Built-in MOSFET driver: 6N Pre-driver output
• FOC drive supports single-resistor mode
• Clock
– Built-in 24MHz high-speed RC oscillator
– Built-in 32.8kHz low-speed RC oscillator
• WDT
• LVD
• TSD
• Two-wire FICE protocol provides online simulation capabilities

Functional Block Diagram
The AP8000 universal programmer developed by ACROVIEW Technology is a powerful programming solution that supports both online and offline versions with one-to-one and one-to-eight configurations, while also providing dedicated programming solutions for eMMC and UFS, fully meeting the bare chip (offline) and on-board programming needs of all Fortior Tech chip models. The AP8000 consists of three core components: the host, the baseboard, and the adapter, serving as an industry-leading universal programming platform that not only meets the programming needs of various programmable chips on the market but also serves as the core programming platform for ACROVIEW’s secure programming device IPS5800S, efficiently supporting the execution of large-scale programming tasks.
The host supports both USB and NET connections, enabling networking of multiple programmers to synchronize control of multiple programmers for programming operations. The built-in safety protection circuit can instantly detect abnormal situations such as reversed or short-circuited chips and immediately cut off power, ensuring the safety of both the chip and the programmer. The host integrates a high-speed FPGA, significantly enhancing data transmission and processing speed. The back of the host is equipped with an SD card slot, allowing users to save project files generated by PC software to the root directory of the SD card and insert it into the slot. By using the button on the programmer, users can select, load, and execute programming instructions without relying on a PC, which not only reduces the hardware configuration cost of the PC but also facilitates the rapid construction of the working environment.
The AP8000 enhances the host’s expansion capabilities through the combination design of the baseboard and adapter, currently supporting products from all major semiconductor manufacturers, including HOLTEK, Fibocom, BOYAMICRO, NOVATEK, Megawin, and others. The supported device types include NAND, NOR, MCU, CPLD, FPGA, EMMC, etc., and it is compatible with various file formats such as Intel Hex, Motorola S, Binary, POF.
Company Introduction
About Fortior Tech: Fortior Tech, established in 2010, is a professional semiconductor company specializing in motor driver chips, dedicated to providing high-quality drive and control chips for various motor systems, as well as consulting services in motor technology. The application fields of the chips cover industrial equipment, motion control, power tools, consumer electronics, intelligent robotics, IT, and communication drive control.
About ACROVIEW Technology: ACROVIEW Technology is a global leader in semiconductor chip programming solutions, committed to changing the world through technology and driving the future with intelligence, continuously creating value for customers. ACROVIEW’s AP8000 universal programmer platform and the latest IPS5800S programming automation solution provide one-stop solutions for customers in the semiconductor and electronic manufacturing fields, having served leading global clients including Huawei, BYD, and Foxconn.
Scan to follow us

ACROVIEW Technology Service Account

ACROVIEW Technology Subscription Account
