Click↑↑Tech Training, follow and pin it to subscribe for free long-term
200,000+ industrial control professionals follow this WeChat platform: technical sharing, learning exchange, industrial control videos
Today, I mainly want to share a practical case involving a water level control project using PLC, inverter, and touch screen. Let’s take a look at the entire process, which can be saved for future reference!
● Project Description
● EM235 Module
● Project Implementation
● Touch Screen Monitoring
1. Project Description
1. Control Requirements
The water tank supplies water to external users, and the water usage is unstable, sometimes high and sometimes low. Water can be pumped into the tank, and we need to maintain a constant water level control in the tank, adjustable within the range of 0~200mm (the maximum value can be determined based on the tank height). For instance, if the set water level in the tank is 100mm, then regardless of the outflow, the inflow must be adjusted to maintain the water level at 100mm. If the outflow is low, the inflow should also be controlled to be low; if the outflow is high, the inflow should be controlled to be high.

2. Control Strategy
Since the liquid level height is proportional to the pressure at the bottom of the tank, we can use a pressure sensor to detect the pressure at the bottom of the tank to determine the liquid level. A PD algorithm is used for automatic adjustment of the water level. The signal detected by the pressure sensor, which ranges from 4~20mA, is sent to the PLC. The PLC performs PID calculations on the deviation between the set value and the detected value, and the result is output to adjust the speed of the water pump motor, thus regulating the inflow. The speed of the water pump motor can be adjusted using an inverter.
3. Component Selection
1) PLC and Module Selection. The PLC can be selected as S7-200cPU224. To receive the analog signal from the pressure sensor and adjust the water pump motor speed, an EM235 analog input/output module is chosen.
2) Inverter Selection. To adjust the inflow, a Siemens G110 inverter is selected.
3) Touch Screen Selection. The Siemens TP170B human-machine interface touch screen is chosen.
4) Water tank object equipment, as shown in the following figure.

2. EM235 Module
Wiring and terminals of the EM235




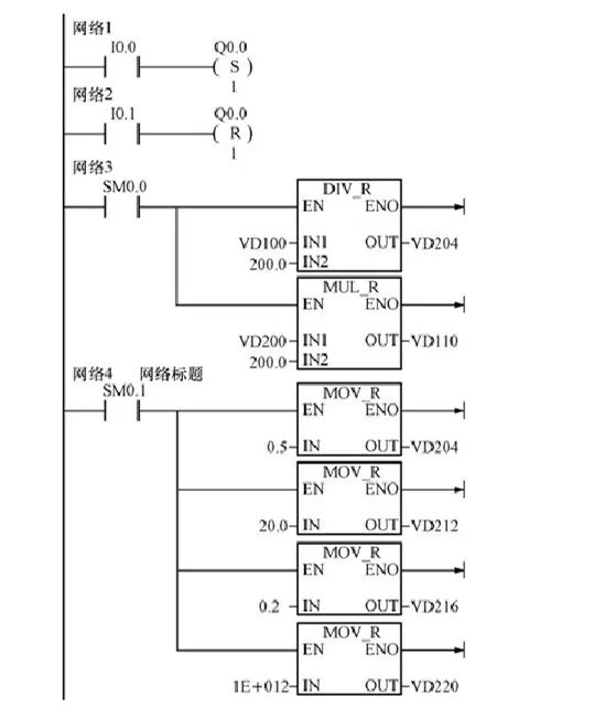
3. Project Implementation
1) PLC IO Allocation and Circuit Diagram
PLC IO allocation
Start button, 10.0;
Stop button, 10.1;
Q0.0, controls the operation of the water pump motor.






Source: Internet, copyright belongs to the original author, please delete if infringing
