With the release of the new M7, Wanjie’s visibility has surged recently. I happened to see the circuit diagram of the 2022 Wanjie M5 and organized it to share with everyone.
First, we have the basic CAN network, which can be seen from the gateway interface, as shown in the figure below. These include BD CAN, CH CAN, INFO CAN, and PT CAN.

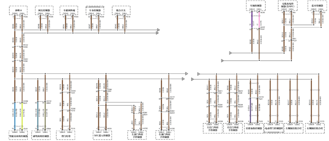
BD CAN is the body CAN, which includes the body controller, NFC controller, seat controller, air conditioning controller, light controller, etc., as shown in the figure below.

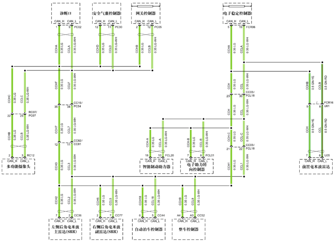
CH CAN is the chassis CAN, which includes the vehicle controller, electronic stability controller, millimeter-wave and ultrasonic parking controllers, etc., as shown in the figure below.

INFO CAN is the entertainment CAN, which involves the combination instrument, central control controller, head-up display controller, etc. The specific network connections are shown in the figure below.

Finally, we have PT CAN, which is the power CAN, including the motor controller, vehicle controller, gear controller, battery management, engine controller, etc., as shown in the figure below.

Lastly, let’s take a look at the schematic of the central control system equipped with the HarmonyOS, as shown in the figure below.

The above is the CAN network information for the 2022 Wanjie M5, which is relatively traditional. I wonder if the 2023 M5 has implemented Huawei’s three-domain architecture. I will continue to share information as it becomes available.-end-
Sharing is not easy, please give a ใ๐ใ and ใlook atใ