
In the field of 5V power chips, a feedback voltage of 0.6V has been an unbreakable “iron rule” for a decade. As semiconductor process technology enters the nanometer level, the SOC supply voltage continues to decrease to balance performance, power consumption, and transistor reliability. For example, in TSMC’s A16 process, the SOC supply voltage will be less than 0.6V. The Torex Micro TMI3411U breaks the deadlock with a dual revolution of 0.45V feedback voltage and ACOT control architecture! Measured data shows: under a full load condition of 2A, the ripple voltage drops by 42%, the temperature drops by 30℃, and the capacitance usage is halved—this is not only a technical breakthrough but also a profound understanding of the changing application demands by Torex.
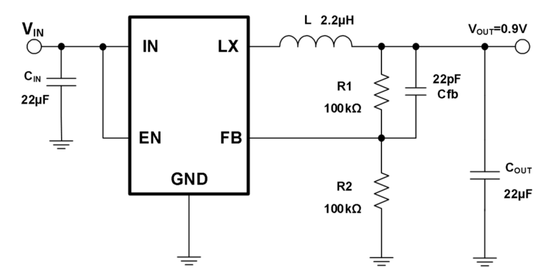
▲ Typical schematic of the TMI3411U series
Extreme performance: reduced capacitance, lower ripple, and lower temperature rise

ACOT architecture: the master of ripple control is online, with dynamic ripple performance stunning, the ability to suppress ripple is comparable to an Olympic champion splashing water! Under the same ripple requirements, it uses one less 10uF MLCC capacitor than competitors (saving PCB area!), with the same output capacitance value, the ripple is directly halved—42% lower than competitors!
Low temperature rise & high efficiency: say goodbye to “teppanyaki”
▲ Temperature rise comparison The efficiency of 5V to 3.3V is as high as 95%, which is 3% higher than competitors, with a full load temperature of 91.9℃, which is 30℃ lower than the previous generation chip.
Pain point terminator: specifically treats “power-off tail” and low-voltage scenarios
▲ Output discharge function
-
0.45V ultra-low feedback voltage: breaking the industry 0.6V threshold, perfectly supporting output voltage scenarios below 0.6V ( as the SOC process technology evolves to the nanometer level, the actual SOC operating voltage has dropped to 0.6V)
-
ms-level discharge black technology: built-in 40Ω discharge resistor, lightning-fast solution (to the power-off tail problem, chaotic power-on/off timing), improving shutdown response speed, making device startup and shutdown crisp and neat!
Product Features
• Input voltage range: 2.5V ~ 5.5V
• Internally integrated low on-resistanceMOSFET:130mΩ/80mΩ
• High efficiency at light load: 5V to 3.3V efficiency can reach95%
• Low reference voltage: 0.45V±2%
• 1.2MHz switching frequency
• 40µA low static current
• ACOT control architecture enables fast load dynamic response
• Supports100% duty cycle
• Internal compensation design
• Integrated input over-voltage, under-voltage, over-temperature, over-current, and output short-circuit protection
• Surge current limiting and internal soft-start design
• Supports output self-discharge function
• SOT23-5 package

