High-Level Capacitor Calibration for ADCs

High-Level Capacitor Calibration for ADCs

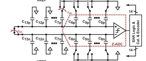
“A 12-bit 104-MS/s SAR ADC in 28nm CMOS for Digitally-Assisted Wireless Transmitters”The calibration method introduced here utilizes low-level capacitors to calibrate high-level capacitors, as the absolute mismatch of high-level capacitors is greater, which in turn has a larger impact on DNL and INL. Calibrating high-level capacitors can effectively improve the dynamic range of the ADC.As … Read more