The PLC control system, or Programmable Logic Controller, is a digital operation electronic device designed specifically for industrial production. It uses a type of programmable memory to internally store programs, execute logical operations, sequential control, timing, counting, and arithmetic operations based on user instructions, and controls various types of machinery or production processes through digital or analog input/output. It is a core component of industrial control.Since the introduction of the Programmable Logic Controller (PLC) in the United States in the 1960s, which replaced traditional relay control devices, PLCs have rapidly developed and been widely used around the world. At the same time, the functionality of PLCs has continuously improved. With the ongoing development of computer technology, signal processing technology, control technology, and network technology, as well as the increasing demands of users, PLCs have added functions such as analog processing and motion control on top of basic discrete control. Today’s PLCs are no longer limited to logical control; they also play a very important role in motion control and process control. Let’s take a look at these animated diagrams!PLC Sequential Control
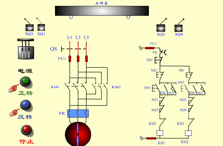
PLC Forward and Reverse Control
Button Switch
Punching Processing
Power-off Delay Timer Relay
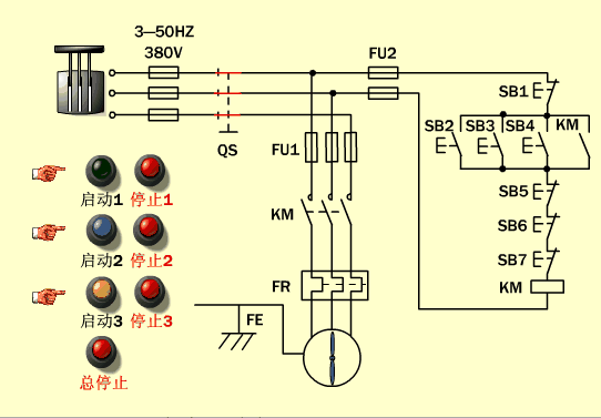
Multi-point Control
Roller-type Limit Switch
Traffic Signal Light

Scan to learn PLC video courses for free
Robot Arm
AC Contactor
Thermal Relay
Three-phase Knife Switch
Timer Relay
Manual Control
Speed Relay
Star-Delta Start
Asynchronous Motor Rotation Principle
Automatic Return Control
Sensor Working Principle Animation








Scan to learn PLC video courses for free

































































Scan to learn PLC video courses for free







Disclaimer: This article is reproduced from the internet, and the copyright belongs to the original author. If there are any copyright issues, please contact us in time to delete it. Thank you!
● Enjoy! 135 Electrical Wiring Diagrams, enough for you to ponder for a day
● Sudden incident at midnight, 2 dead! 18 explosions in 2 minutes! The culprit is also around you!
● Interviewed an electrician yesterday, can you solve these questions? Many electricians don't know the first one!
● Electricians have four certificates, what are the differences?
● A leave request from an employee of China Railway 20th Bureau went viral online, sparking heated discussions in the engineering circle!
Recommended Reading: Why can't you directly connect the AC contactor coil when choosing the transistor output type for PLC? Click below "Read the original"