Common Faults of FAW Jiefang New Energy Traction Vehicle and CRRC Multi-Functional Controller

Common Faults of FAW Jiefang New Energy Traction Vehicle and CRRC Multi-Functional Controller

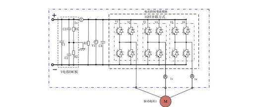
01Diagnostic Interface Layout Diagram *Electrical Block Diagram of the Drive System The controller, as a key power component in new energy vehicles, interacts with the entire vehicle through the CAN network to exchange command and status information. The controller collects motor current, speed, and position signals, integrates system status and vehicle control commands, and converts … Read more