PSDS
Boeing Product Standards
Introduction
In aircraft maintenance, how can one find the specific manufacturing parameters for products or components? This article will take Boeing as an example to introduce Boeing Product Standards and Search Methods, helping maintenance personnel gain a deeper understanding of Boeing’s technical documents.
01
What are Boeing Product Standards?
The Boeing Product Standards Data System (PSDS) is the information system used by Boeing to publish and view product standards. This system provides an authoritative view of Boeing product standards applicable to Boeing aircraft from the 707 to the 787, including materials, parts, process specifications, support, and product definition standards.

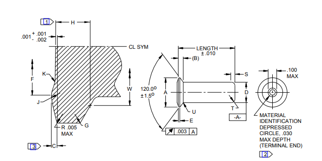
The common rivet part number for the 737NG aircraft is BACR15FV6KE—material 7075-T73, 120° countersunk rivet, and Boeing has specific requirements for the product technical specifications of this rivet. By querying the standard “BACR15FV”, one can obtain detailed information about this type of rivet.

Figure 1.1: Physical Dimension Requirements for Rivets

Figure 1.2: Allowable Diameter Range for Rivets (Example)

Figure 1.3: Rivet Part Number Naming Rules

The commonly used switch part number for the 737NG aircraft is: BACC18AD2. If we need to know the size parameters, applicability, and other related technical information for this switch, we can refer to the standard “BACC18AD”.


Switch Display

Figure 2.1: Physical Dimension Requirements for Switches

Figure 2.2: Functional Parameter Requirements for Switches (Example)

Figure 2.3: Switch Part Number Naming Rules

In addition to standardizing the dimensions and usage requirements for Boeing components, the Boeing Product Standards also specify detailed requirements for adhesive application, fastener safety, and fastener installation.


Figure 3.1: Example of Fastener Safety for “BAC5018”


Figure 3.2: Example of Sealing Usage for “BAC5000”

Figure 3.3: Specific Requirements for Installing “BAC5004-1” Rivets

02
How to Obtain Boeing Product Standards Documents?
No.1 Finding Modules on the Boeing MyBoeingFleet Website
Perseverance Prevails
On the main page, click on Apps, open the feature list, find the material management module, and click on product standard.

Main Page of the Website

Document Access Entry

Specific Specification Input Interface
No.2 How to Obtain Specific Specification Numbers
Perseverance Prevails
The first method: Obtain the document specification name through the part number, such as the “BACC18AD” mentioned above.
Note: This method is mainly applicable to the part numbers following Boeing’s naming rules.
The second method: Use manuals to obtain related document specifications.

Reference to BAC Standards in the SRM Structural Repair Manual
No.3 How to Use the Documents
Perseverance Prevails
Each Boeing product technical specification is generally written in a similar format. If you are looking for specific technical information, you can directly search for it in the “CONTENTS” section. For example, in BAC5000, you can find the construction specifications for corner seals.

Page Number for Detailed Information on Corner Seals

In Conclusion
This article provides a brief introduction to the role of Boeing product standards and methods for obtaining documents, enriching aviation professionals’ understanding of Boeing technical documents. It plays a positive role in the standardization and normalization of maintenance and operations.
The methods for obtaining PSDS and related cross-reference information far exceed what is covered in this article. I hope interested readers can explore, read more, and pay attention!

Contributor: Tang Haishen
WeChat ID: Xiamen Airlines Training

Long press to scan the QR code to follow us.