From: Michelle’s LabLDM #401: Boeing 747 digital fuel quantity indicator – teardown, reverse engineering and testIntroduction
Interface Display
Label Information
Connector
Pinout of the Aviation ConnectorOpening the Instrument


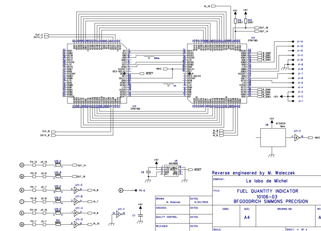
From Altera’s CPLD, EPM7160 1MHz Crystal Oscillator
Power Board (LT1074)Reverse Engineering: Power Supply
Power SupplyReverse Engineering: Dimmer Circuits

0-5V, 400Hz AC Voltage Rectification Comparison 8-bit Sent to CPLDReverse Engineering: ARINC 429 Interface

Optocoupler (an ARINC 429 Interface Bus)
Corresponding Two-Line DisplayReverse Engineering: CPLD Circuit Board
Two CPLDs Receiving Signals and DisplayingTesting

Device
Power Supply +28V
Connected to Function Generator

Point Testing

Commands, LabelsDimmer Function Test Schematic Diagram:

ClickRead the original text or copy the link below to download

https://mwblog.fr/wp-content/uploads/2025/04/Sch_A.pdfClick the original text or this link to download



Click now to see more
Previous Recommendations
Simple OCXO Reference (including production data)
Simple Broadband Solid-State Power Amplifier “Mainly discusses feedback resistor application, broadening BW bandwidth”
Visible Technical Aesthetics! Deep Dissection of the Three Core Indicators of Ultra-High Frequency Amplifiers – High Aesthetic + Hard Power! Visual Black Technology!
140G Balanced 140GHz PCB Routing Layout – That’s All
Low-Pass Filter -1 wo hreeour – $95.00 – $85.00 – $105.00 – $80.00
“Copper Tubes and Electromagnetic Time Machine || Steampunk Level Violent Aesthetics! Decoding 70 Years of High-Frequency Equipment Evolution, Glimpsing the Past and Present of 5G Communication”
Must-Read for Engineers! How to Build a Highly Reliable RF System with 50ms Timing Control + Dual Protection? Abnormal Standing Wave Ratio? High-Temperature Alarm? Unveiling the Intelligent Control Logic Behind RF Amplifiers
600W Self-Assembly vs Pre-Assembly? Comparison of RF Component Advantages and Disadvantages: Time-Saving or Cost-Saving, Decide After Reading This!
Essential for RF Players! DIY Guide to 400MHz-3GHz Microstrip Directional Couplers: -30dB High Directionality, Low-Cost Achieving Hundred-Watt Level Power Measurement?
Teardown of Huawei MRFUd2100 Multi-Frequency Unit Dual
1988 Antique BUX22 Transistor Teardown: Doubled Shell Renovation Mystery + 40A Limit Avalanche Breakdown, Unveiling ST Factory’s “Wide Emitter Narrow Contact” Black Technology! Have You Seen a Bare Chip Flashing Light?
28V Power Supply Easily Outputs 100W! Unveiling the Complete Guide to 1-30MHz Wideband MOSFET Amplifier Design (Requires 30 Minutes)