Designing Perpetual Power for Embedded Systems Using Energy Harvesting Technology

Designing Perpetual Power for Embedded Systems Using Energy Harvesting Technology

Many embedded systems that cannot connect to the mains power often rely on battery power. However, when the battery runs out, the maintenance cost of replacing the battery is relatively high and causes considerable inconvenience. If energy harvesting technology can be used to provide perpetual power to the system, this problem can be solved. This … Read more

Embedded System Design and Applications – Based on ARM Cortex-A8 and Linux (3rd Edition)

Embedded System Design and Applications - Based on ARM Cortex-A8 and Linux (3rd Edition)

Table of Contents Chapter 1 Overview of Embedded Systems Micro-course video: 158 minutes, 6 episodes 1.1 Introduction to Embedded Systems 1.1.1 Emergence of Embedded Systems 1.1.2 Definition, Characteristics, and Classification of Embedded Systems 1.1.3 Typical Components of Embedded Systems 1.2 Embedded Microprocessors 1.2.1 Introduction to Embedded Microprocessors 1.2.2 Mainstream Embedded Microprocessors 1.3 Embedded Operating Systems … Read more

Comprehensive Guide to Microprocessor and Embedded System Design

Comprehensive Guide to Microprocessor and Embedded System Design

With the arrival of the Internet 3.0 era, the Internet of Things is redefining the lifestyle and work style of the new economic world. The smart terminal implantation technology based on embedded microprocessor system design technology will create rich “smart touchpoints” for users around the world.This course will help you step into the technical hall … Read more

Embedded Systems Design and Application Syllabus

Embedded Systems Design and Application Syllabus

01 Basic Course Information Course Name:Embedded Systems Design and Application Target Audience:Undergraduate students in Computer Science and Engineering Course Credits:4.5 Course Hours:72 (58 Theory + 14 Practice) Course Category:Core Required Course Prerequisite Courses:C Programming, Assembly Language and Microcomputer Technology 02 Course Description “Embedded Systems Design and Application” is a core required course for the Computer … Read more

Choosing the Right Interface for Your Embedded Vision Project

Choosing the Right Interface for Your Embedded Vision Project

Click the “Machine Vision” above, and select “Pin/Star“Public Account Receive the latest tweets! How to integrate embedded systems? A standard industrial camera is obviously too large, too expensive, and consumes too much power. A board-level camera is a good choice, as this module retains the necessary parts for the application. For example, this module removes … Read more

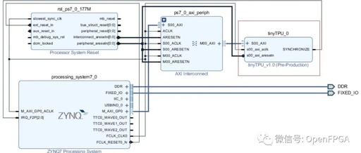
Introduction to Excellent Verilog/FPGA Open Source Projects – Tensor Processing Unit (TPU)

Introduction to Excellent Verilog/FPGA Open Source Projects - Tensor Processing Unit (TPU)

Introduction The Tensor Processing Unit (TPU) is an artificial intelligence accelerator application-specific integrated circuit (ASIC) developed by Google specifically for neural network machine learning, particularly using Google’s own TensorFlow software. Google began using TPU internally in 2015 and made them available as part of its cloud infrastructure in 2018, selling smaller versions of the chip … Read more

Maximizing the Potential of Jetson Orin with NVIDIA Nsight Development Tools

Maximizing the Potential of Jetson Orin with NVIDIA Nsight Development Tools

Orin architecture powers the next generation of edge AI systems with industry-leading performance, featuring 12 ARM Cortex A78 cores and 2MB of L3 cache, NVIDIA Ampere architecture GPU with 16 streaming multiprocessors, or 128 CUDA cores per SM. Orin also includes dedicated accelerators for workloads such as video scaling, image processing, Optical Flow Accelerator (OFA), … Read more