1. Design Functionality
Requirements for the car light controller design:
1. There are four lights on each side of the rear of the car: yellow light, red light, fog light, and reverse light. In the front, there are headlights (high beam, low beam), yellow light, and fog light.
2. The headlights do not light up during the day when driving normally, but both front headlights are on at night.
3. The left yellow light flashes (2Hz) when turning left, and the right yellow light flashes when turning right.
4. Both red lights are on when the car brakes.
5. The fog light is activated in low visibility or at night.
6. The red lights and reverse light are on when reversing.
2. Proteus Simulation

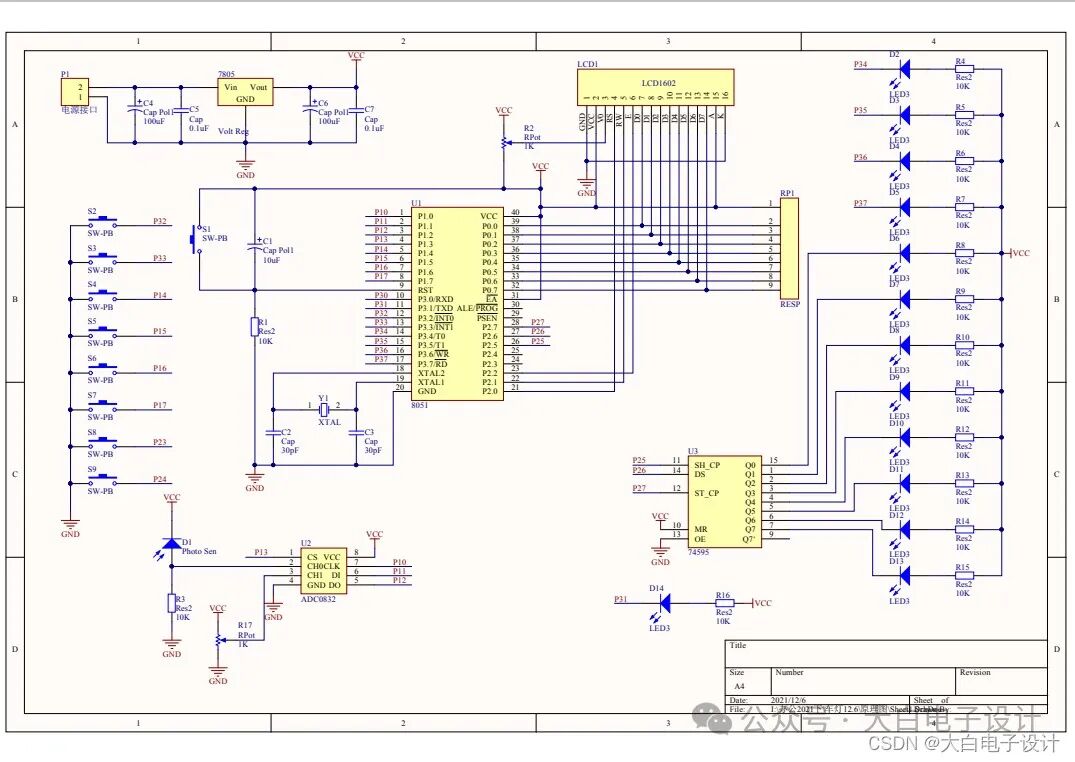
3. Schematic Diagram

4. Source Code

5. Included Materials
For complete materials, you can click the business card below to request the download link and extraction code for the resource package from Baidu Cloud.