CM112F-DAC
Shipping Mode Integrated Single Cell Battery Protection IC
Overview
The CM112F-DAC features a high-precision voltage detection circuit and delay circuit, which detects the battery’s voltage and current to provide protection against overcharging, over-discharging, and over-current. It is suitable for protection circuits of single lithium-ion/lithium polymer rechargeable batteries and includes a shipping mode to meet the needs of maritime transport and long-term storage for small capacity battery packs.
Features
1) High-precision voltage detection function
-
Overcharge protection voltage 4.475 V accuracy ±20 mV
-
Overcharge release voltage 4.275 V accuracy ±50 mV
-
Over-discharge protection voltage 2.850 V accuracy ±50 mV
-
Over-discharge release voltage 3.050 V accuracy ±100 mV
-
Discharge overcurrent detection 0.450 A accuracy ±100 mA
-
Short-circuit current detection 0.850 A accuracy ±150 mA
-
Charge overcurrent detection 0.450 A accuracy ±100 mA
2) Internal detection delay times
-
Overcharge protection delay 1.0 s accuracy ±30%
-
Over-discharge protection delay 64 ms accuracy ±30%
-
Discharge overcurrent protection delay 10 ms accuracy ±30%
-
Charge overcurrent protection delay 10 ms accuracy ±30%
3) Charger detection and load detection function
4) Charging allowed for 0V battery
5) Sleep function available
6) Shipping mode supported
7) Discharge overcurrent state release condition: disconnect load
8) Discharge overcurrent state release voltage VRIOV
9) Low current consumption
-
Operating current 0.6 µA (typical) (Ta = +25°C)
-
Sleep current 10 nA (maximum) (Ta = +25°C)
10) Internal power N-MOSFET on-resistance RSS(ON) 65 mΩ
11) RoHS, lead-free, halogen-free
-
Smart wearable devices
-
TWS
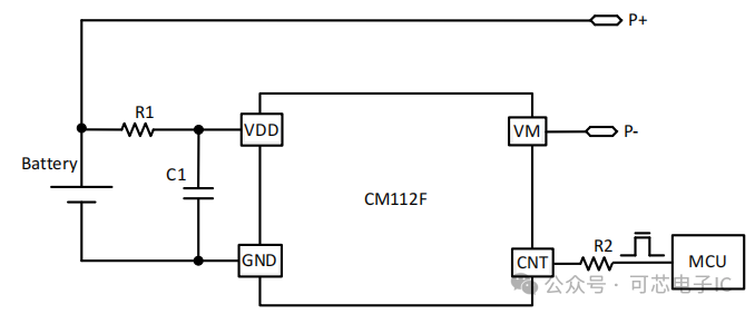
Typical Application Schematic


Pin Arrangement and Description


Marking Description

System Function Block Diagram

Absolute Maximum Ratings

Electrical Characteristics


– Long press to scan the code to add WeChat –Quality and service, just use “core”
Contact QQ: 2881464100
Contact Phone: 135-4334-2421
END
Share
Collect
View
Like
